欧式单梁起重机是一种常见的工业起重机械,主要用于工厂、车间等场所的货物搬运和起重作业。它的主要特点是采用单梁结构,悬挂在车间的顶部,通过欧式电动葫芦作为起升结构,三合一免维护电动机驱动运行,具有起重能力强、灵活性高等优点。

欧式单梁起重机是一种常见的工业起重机械,主要用于工厂、车间等场所的货物搬运和起重作业。它的主要特点是采用单梁结构,悬挂在车间的顶部,通过欧式电动葫芦作为起升结构,三合一免维护电动机驱动运行,具有起重能力强、灵活性高等优点。
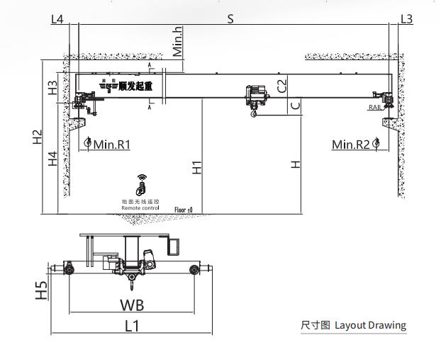
欧式单梁桥式起重机是是基于欧洲轻量化和模块化设计理念以及先进生产制造工艺,在主梁上悬挂电动葫芦起升机构,可左右、上下、前后实现物料物体在立体空间搬运。该产品技术先进,设计按照国际标准:DIN(德国)、FEM(欧洲)、ISO(国际),具有刚性强、自重轻、结构设计出众等优点,能有效地节约厂房空间和投资成本,行走结构特点独特,是您最佳的选择。
24h全国免费咨询热线
86-13929139265

欧式单梁起重机起重量从1吨到20吨,跨度可达28.5米。欧式单梁起重机是工业应用的理想选择,在市场上非常受欢迎。它具有性能优越、结构紧凑、自重轻、绿色环保节能、静音、轮压小、安全可靠和运行高能等特点,可以帮助您有效利用可用空间,节省厂房的整体投资成本,提高生产效率、减少日常维护、节省运营能源消耗,取得更好的投资回报。
A.采用FEM和GB3811标准设计。
B.该系列产品与欧式系列电动葫芦配套使用。
C.主梁为箱型梁,计算机优化设计,钢结构有限元优化设计,重量轻。
D.端梁为抗扭箱型,实现模块化设计,自重轻、体积小。
E.钢丝绳电动葫芦高度尺寸小,使吊钩更靠近边缘,增加了服务作业面积。
F.为小车提供高柔性扁电缆电源,并具有接地保护。









